本文为 COPO Microelectronics 官方 CP2031 EVM-310 评估板用户手册(Rev.1.1.2,QFN24Pin 封装),聚焦无线功率接收系统核心技术。手册涵盖适配 WPC Qi1.2 协议的 4W(……
本文为 COPO Microelectronics 官方 CP2031 EVM-310 评估板用户手册(Rev.1.1.2,QFN24Pin 封装),聚焦无线功率接收系统核心技术。手册涵盖适配 WPC Qi1.2 协议的 4W(5V/800mA)输出参数、详细电气特性表、测试点定义、完整测试原理图,以及从发射端对接、带载测试到效率验证的全流程指南,为工程师提供设计参考与实操依据。
CP2031 EVM-310 评估板用户手册(QFN 24Pin Package)
出品方:COPO Microelectronics Co., Ltd
版本信息:Rev. 1.1.2
一、应用介绍
CP2031 EVM-310 是一款无线功率接收端系统,具体功能与兼容性如下:
- 可放置于满足 WPC Qi 1.2 协议的发射端系统上,输出 4W 功率,对应规格为 5V、800mA。
- 兼容外部供电方式,支持 AC Adapter 或 USB 输入。
二、CP2031 EVM-310 电气特性
表 1 列出评估板的核心电气参数,超过额定值可能导致 CP2031 永久性损坏,所有参数均在规定工作温度范围内保证。
| 类别 | 参数 | 描述 | 最小 | 典型 | 最大 | 单位 |
|---|---|---|---|---|---|---|
| 输入特性 | VRECT | 输入电压(测试点 TP3) | 3.6 | 5.5 | 8 | V |
| – | AD IN | Adapter 输入电压(接口 J8) | 3.6 | 5 | 12 | V |
| – | OVP | 输入过压保护(VRECT) | – | – | 15 | V |
| 输出特性(无线功率接收) | OUT(V) | 输出电压(接口 J6) | – | 5 | – | V |
| – | OUT(I) | 输出电流(接口 J6) | – | – | 0.5 | A |
| 输出特性(Adapter 输入) | OUT(V) | 输出电压(接口 J6) | – | 5 | – | V |
| – | OUT(I) | 输出电流(接口 J6) | – | – | 1 | A |
| 系统特性 | Fs | 系统工作频率 | 100 | – | 205 | KHz |
| – | Eff | 500mA 输出效率 | – | 75 | – | % |
三、测试点描述
表 2 详细说明评估板各测试点与接口的功能定义,便于测试操作与信号识别。
| 测试点 / 接口 | 信号名称 | 描述 |
|---|---|---|
| TP1 | AC1 | 接收端线圈交流信号输入 |
| TP2 | AC2 | 接收端线圈交流信号输入 |
| TP3 | VRECT | AC 整流输出,外接电容滤波 |
| TP4 | ILIM | 输出限流设置 |
| J6 | OUT | 输出电压(5V,500mA) |
| J8 | AD IN | Adapter 输入 |
| J9 | CHG | 充电完成指示,接高电位时 CP2031 发 EPT |
| TP33/TP34/J7/J10 | GND | 系统参考地 |
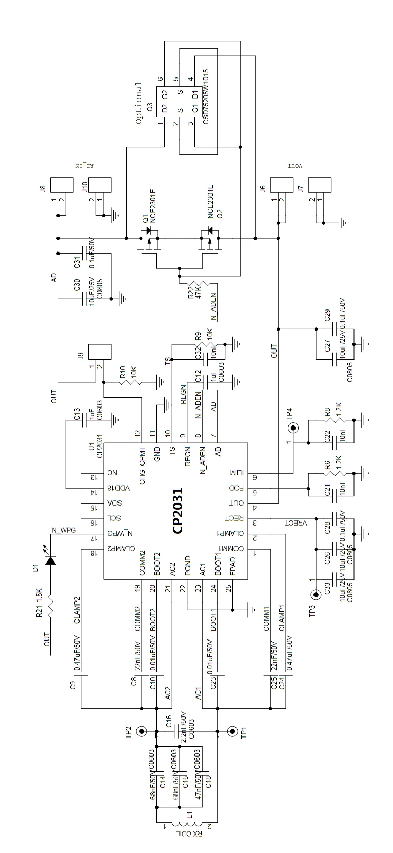
四、测试原理图

CP2031 EVM-310 测试原理图
五、测试条件及测试波形参考
1. 无线接收上电测试及波形
- 测试对象:VRECT(TP3)、OUT(J6)
- 波形图:(网站发布时插入原文档图 3,图注标注为 “图 3:无线接收上电测试波形”)
2. Adapter 上电测试及波形
- 测试对象:VRECT(TP3)、OUT(J6)、AD_IN(J8)
- 波形图:(网站发布时插入原文档图 4,图注标注为 “图 4:Adapter 上电测试波形”)
3. OUT 带载(0A to 800mA)测试及波形
- 测试对象:VRECT(TP3)、OUT 电流、OUT(J6)
- 波形图:(网站发布时插入原文档图 5,图注标注为 “图 5:OUT 带载(0A to 800mA)测试波形”)
4. OUT 带载(800mA to 0A)测试及波形
- 波形图:(网站发布时插入原文档图 6,图注标注为 “图 6:OUT 带载(800mA to 0A)测试波形”)
5. 动态 VRECT 电压与 OUT 输出电流的关系
表 3 为默认状态下的参数关系,可根据不同应用场景调整。
| OUT 输出电流 | VRECT |
|---|---|
| 0 | 7 V |
| 100mA | 6.5 V |
| 200mA | 5.5 V |
| >300mA | 5.15 V |
六、效率测试
测试条件为 “GP_TX + COPO_RX”,不同输出电流下的系统效率如表 4 所示。
| OUT 输出电流 | 系统效率 (%) |
|---|---|
| 100mA | 58.5 |
| 200mA | 74.2 |
| 300mA | 76.1 |
| 400mA | 78.7 |
| 500mA | 78.2 |
| 600mA | 77.2 |
| 700mA | 76.1 |
| 800mA | 74 |
| 900mA | 72.5 |
七、测试指南
1. 发射端(TX)操作
- 按照指示接入电源,规格为 5V/1A。
- 电源输入有效时,发射端 LED 灯会亮起指示。
- 示意图:(网站发布时插入原文档图 7,图注标注为 “图 7:发射端(TX)示意图”)
2. 接收端(RX)准备
- 接收端为 CP2031 EVM-310 评估板。
- 示意图:(网站发布时插入原文档图 8,图注标注为 “图 8:接收端(RX)示意图”)
3. 对接测试步骤
- 将接收端(RX)放置于发射端(TX)上,确保线圈对准,可自由调整接收端 RX 方向。
- 示意图:(网站发布时插入原文档图 9,图注标注为 “图 9:RX 与 TX 对接示意图”)
- 判定标准:当接收端 CP2031 EVM-310 指示灯 D1 亮起,代表接收端输出电压(J6 OUT)正常工作(5V/800mA),可向负载提供额定电流。
详细信息见附件
还没有评论呢,快来抢沙发~